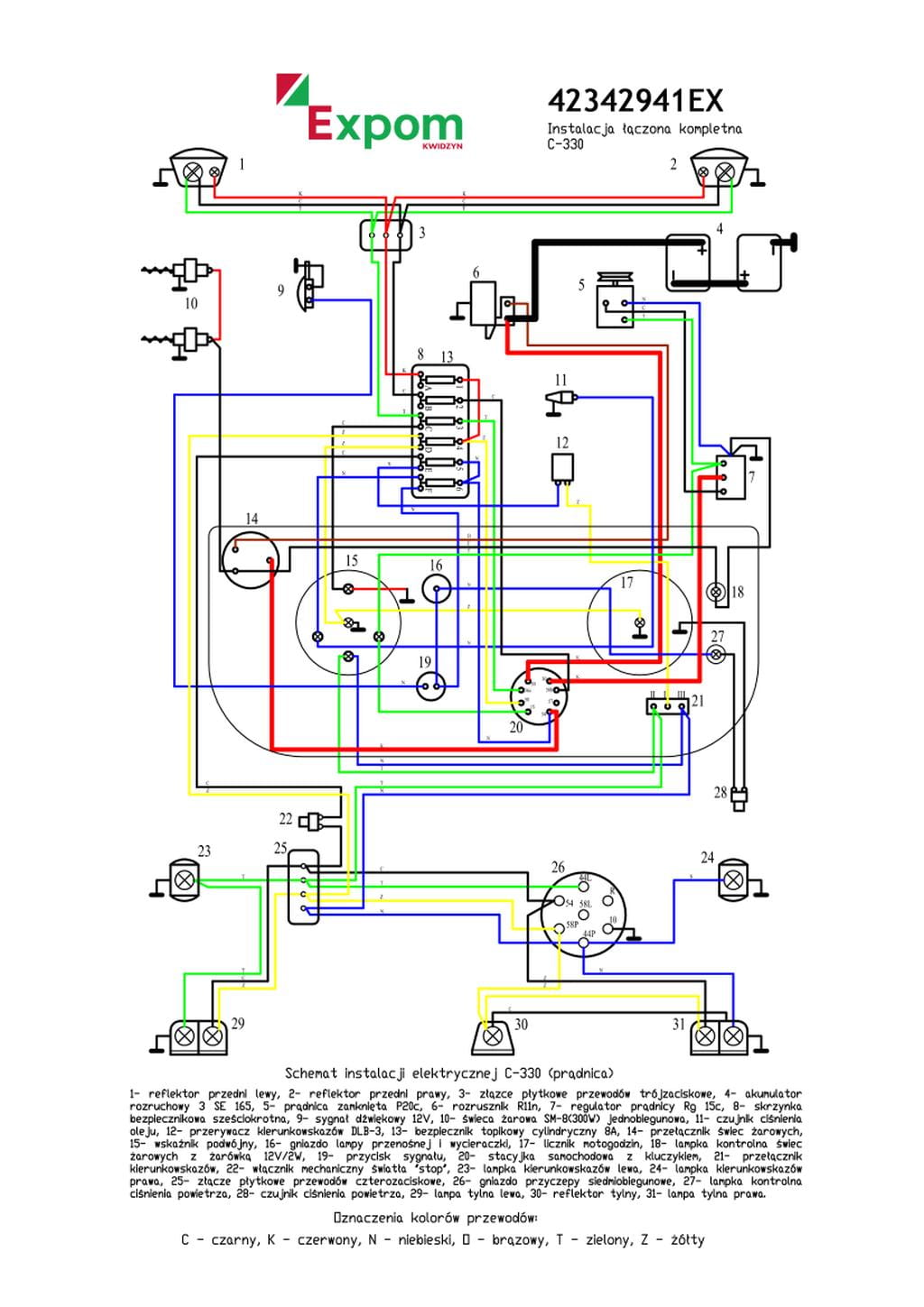
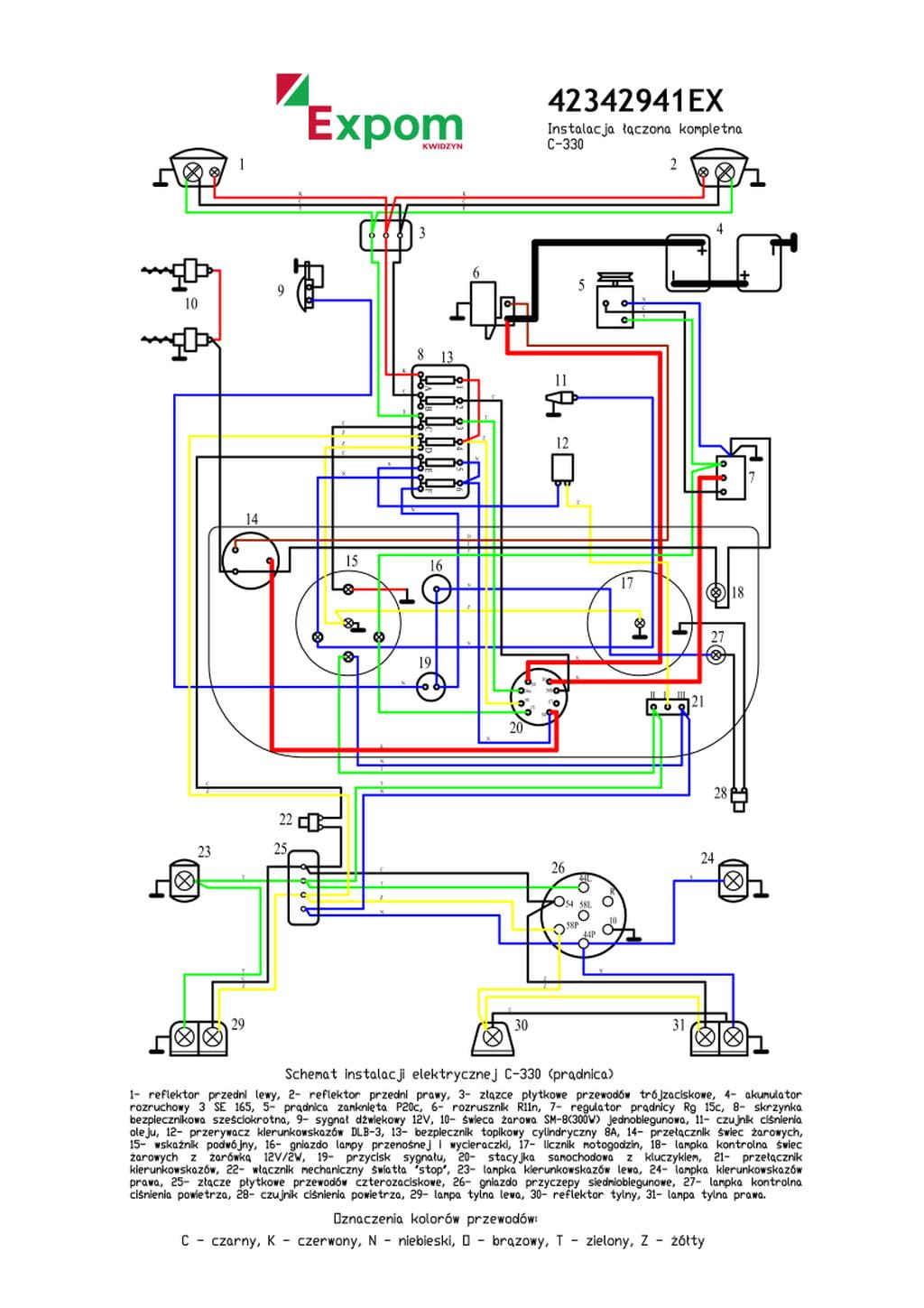
Instalacja łączona kompletna alternator C-330 EXPOM KWIDZYN eu

Dostępność: duża ilość
Wysyłka w: 48 godzin
Cena: 270,59 zł 270.59
zawiera 23% VAT, bez kosztów dostawy
ilość szt.
Ocena: 3.4
Producent: EXPOM
Kod produktu: 42342942AEX

Zastosowanie

Instalacja kompletna łączona alternator do ciągnika C-330 w marce Expom Kwidzyn eu jest to produkt wykonany z najlepszych komponentów.W instalacji wykorzystano przewody miedziane o oznaczeniu FLY ,posiadają lepsze właściwości plastczne i temperaturowe (-40 do +125C),dzięki czemu są bardziej elastyczne i nie pękają. Każda wiązka poddawana jest kontroli elektrycznej ,odpowiedni dobór najlepszych materiałów zapewnia bezpieczeństwo i długoletnią bezawaryiną pracę układów instalacji.W skład instalacji wchodzą wszystkie przewody, stacyjka, skrzynka bezpiecznikowa, listwa łączeniowa i przełącznik kierunkowskazów.Przewody instalacji są podłączone pod podzespoły wyżej wymienione.

*****

Indeksy zamienne: 42342942,0042342942,42/34-294/2,0042/34-294/242342942A,42342942AU,42342942AEX.

*****

Zastosowanie: Ursus:C-328;C328;C-330;C330.

  • Opakowanie: 1szt
  • Materiał: Miedź
  • Napięcie: 12V
  • Pakowanie po:: 1
do góry
Sklep jest w trybie podglądu
Pokaż pełną wersję strony
Sklep internetowy Shoper.pl